Sketches



Here are the scanned documents of sketches when creating the game.
I will have to go through and make an overview level of pics then have the real ones in the build process. This is just for my reference right now.
Also note, there's a Version 2 (crash detection senors) and Version 3 (IR Breakbeam Sensors, currently working on)

Box Frame Designs

BoxDesign4x8Plywood
4x8' Plywood cut layout.

Have HomeDepot cut 24" (plus blade gap) to make a 2x8 long piece.
Ability to make main box 1.5" wider if needed, going to try 6.5" first.
Also supports inset and outset door.
I was not able to cut a single piece of 3/4" for a solid door, but this will decrease weight.

BoxDesign4x8PlywoodCutSteps
4x8' Plywood cut steps.

Have HomeDepot cut 24" to make a 2x8 long piece.
Make the next 3 cuts at 34.75", 22.5", 22.5".

If getting the 1/4" plywood, cut out: 24" x 72" and 24" x 22.75". Add to picture later.

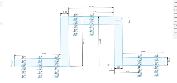
BoxMeasurementsPlayfield
Playfield Measurements

Measurement Distance between the supports and layout.

BrainBoxSize
Brainbox Door sketch idea

Probably final measurements. But it a tad smaller for easier opening.

2.5inchMeasureTool
2.5" Spacer Tool

CAD design.

2.5inchMeasureTool_3DMeasurements
2.5" Spacer Tool

Measurements

2.5inchMeasureTool_3D_Slicer
2.5" Spacer Tool

Slicer labeled.

2.5inchMeasureTool_3D_Slicer4inchwide
2.5" Spacer Tool, 4" wide

Slicer labeled.

2.5inchMeasureTool_3D_Slicer6inchwideNo1InchSpacer
2.5" Spacer Tool, 6" wide, No 1" Spacer Block

This will be used on pieces, like the drop holes supports, where a corner is needed.

Brain Box Marking Templates

Template for making location of LEDs, Glass "holes", and Foam Cutouts.
Holes2inchTemplate_DovetailCutouts_Marked
Holes 2 inch Template Dovetail Cutouts Marked

xxx

Holes2inchTemplate_SketchMarkingObject
Sketch Marking object

xxx

Drop Holes Design Sketches

Holes Sketch 2025-12-05
Holes Sketch 2025-12-05

Just holes/border.

Holes Sketch v3 2025-12-10
Holes Sketch v3 2025-12-10

With sensor cutouts, before wire channeling.

DropHolesMagnetLocations_2026_01_29
Drop Holes Magnet Locations 2026-01-29

5mm depth cut out for 60x10x3mm magnets.

SensorCaseCapsMeasuringOption
Hole Depths for Sensor Screws

Different options for depth measuring.

TestPrintForSensorsV3
Comparing hole depths for sensors

Test block to see if 12 / 13 mm deep holes will work.

DropHoleV3_Bottom_CAD
Drop Hole V3 Bottom CAD

DropHoleV3_Top_CAD
Drop Hole V3 Top CAD

Holes_3D_v3_2026_01_29_marked
Holes_3D v3 2026-01-09

Holes 3D Expanded.
5mm Cut Out
Missing screw hole for #8 x 1 - 1/4" Spax Screws



Drop Holes 3D Sliced



There are two possibilities of slicing, one through the holes and one not. Initial thoughts are slicing through the holes so less warpage, little areas to smooth/clean up.... but not sure, other thoughts are not slicing through the holes so they'll be perfectly round and might be easier to sand the surface. So I'm listing both cutting options below.

DropHoleV3_CutSpecs-NotThroughHoles
Cut Measuring NOT through holes

xxx

DropHoleV3_CutSpecs_NotThroughHoles1-248
1st Cut at 248

xxx

DropHoleV3_CutSpecs_NotThroughHoles1-Connectors
1st Cut Connectors

xxx

DropHoleV3_CutSpecs_NotThroughHoles2-320
2nd cut at 320

xxx

DropHoleV3_CutSpecs_NotThroughHoles2-320-Connectors
2nd Cut Connectors

xxx

DropHoleV3_CutSpecs_NotThroughHoles3-320
3rd cut, also at 320

xxx

DropHoleV3_CutSpecs_NotThroughHoles3-320-Connectors
3rd Cut Connectors

xxx

DropHoleV3_SlicedColors-NotThrougHoles
Not Through Holes cut to slice

xxx

DropHoleV3_SlicedColors-NotThrougHoles-Connectors
Sliced showing connector holes

xxx

DropHoleV3_Cut1Connectors289
Drop Hole Connectors_3D v3 2026-02-22

4.5 holes for Threaded Rod connecting drop holes together.
Place off center of screw holes to not interfere.

DropHoleV3_SlicedColors2
Drop Hole Colored Idea

Testing different colors for printing options.

DropHoleV3_CutSpecs
Drop Hole Cut Through Holes

DropHoleV3_SlicedColors2
Drop Hole Colored Idea

Testing different colors for printing options.



Drop Hole Sensors

IR Breakbeam Sensor Sketch 2025-12-04 - MARKED.PNG
IR Breakbeam Sensor Sketch 2025-12-04

Sketch of actual part.

IR Breakbeam Sensor_3D 2025-12-04 - MARKED.png
IR Breakbeam Sensor_3D 2025-12-04

Sketch of actual part.

IRSensorCaseV3_Marked
IR Sensor Case 2025-12-09

Mount for IR Sensor onto the Drop Hole

IRSensorCaseV3Sliced
IR Breakbeam Sensor Case 2026-02-25

Use the 5mm 'base' to sit flush with the top inside the 5mm drop hole depth.

SensorCaseCaps2025-12-10_MARKED.PNG
Sensor Case Caps 2025-12-10

Option hold downs for Sensors.

SensorCaseCaps2025-12-10_SINGLE (2).jpg
Sensor Cap Single Sided

Connects to a single sensor.

SensorCaseCaps2025-12-10_DOUBLE (2).jpg
Sensor Cap Double Sided

Connects 2 sensors back to back.

WireCapWithHat.jpg
Wire Cap

Still looking into options.

DropHolesSensorLayout_MARKED_CenterLines.png
Drop Hole Wiring Center Wires

My first thoughts, need to product test.

DropHolesSensorLayout_MARKED_CenterLines-All.png
Drop Hole Wiring Center Wires All Channels

Option 2, less wires per channel, easier to fix.



Downramp


Currently, the end of the downramp sits on the 7mm Playfield (Floor planking) the slides into the Drop Holes w/ Threaded Rods.
I thought about making the Down ramp go all the way to the cross support and add the ability to put own spacers in, but then it wouldn't slide forward w/ the threaded rods.
So for now, use 7mm thick flooring all the way up to the drop holes.
3Dprint_DownrampV3_2026-02-21a
Downramp v3

Cut in the Center
Choose Dowel 4.5 Width, 25mm depth each side (50mm total)

3Dprint_DownrampV3b
Downramp v3 Cut

Split into two pieces. Use the Threaded Rod to connect.

Main Hump


MainHumpFull
Main Hump v3

Has cutout slots for magnets

MainHumpCutInfo
Main Hump Cut Info

Dowel Cut Outs 8.5 x 40mm

MainHump_CutToPrintLayout
Main Hump Cut Info

Final cut to print

Drop Holes Humps


Currently, the end of the downramp sits on the 7mm Playfield (Floor planking) the slides into the Drop Holes w/ Threaded Rods.
I thought about making the Down ramp go all the way to the cross support and add the ability to put own spacers in, but then it wouldn't slide forward w/ the threaded rods.
So for now, use 7mm thick flooring all the way up to the drop holes.
DropHolesSideHumps
Hump Layout

Pre Cut

DropHolesSideHumps_CutInfo
Hump Cut Info

Cut in half.
Add Dowel Cut Outs 8.5 x 40mm, making it 80mm total.

DropHolesSideHumps_CutToPrintLayout
Print Layout

Buttons - Game Select


Starting to work on the playfield.
ButtonGameSelect-Test_15HOLEx18SQUARE Button-GameSelectHoleSizes16x18
16mm hole, 18mm square

Test Draft

LCD


Starting to work on the playfield.
LCD-Test_98x40inside_8tall
98x40 mm inside hole, 8mm tall

Test Draft

LCD_3D_Bottom_Measurements
LCD Top

Measurements

LCD_3D_Top_Measurements
LCD Bottom

Measurements

LCD_Online
LCD Frame Hooked up

Music Online

Volume Control - PAM8406


Starting to work on the playfield.
PAM8406_Dimensions
PAM8406 Dimensions

xxx

PAM8406_Marked
PAM8406 Marked

xxx

PAM8406_SupportBracket_InkscapeTopMeasurements
PAM8406 Support Bracket Inkscape Top Measurements

xxx

PAM8406_SupportBracket_FusionSketchDimensionsTop
PAM8406 Support Bracket FusionS ketch Dimensions Top

xxx

PAM8406_SupportBracket_FusionSketchDimensionsSide
PAM8406 Support Bracket Fusion Sketch Dimensions Side

xxx

PAM8406_SupportBracket_FusionSketchDimensionsSide-3D-2-marked
PAM8406 Support Bracket Fusion Sketch Dimensions Side 3D-2-marked

xxx

PAM8406_SupportBracket_SlicedWithSupport
PAM8406 Support Bracket Sliced With Support

Test Draft

PAM8406 put together test (1)
PAM8406 put together test (1)

Test Draft

PAM8406 put together test (6)
PAM8406 put together test (6)

Test Draft

PamKnobHoleSize
PAM8406 Cover

Hole Sizes

PamKnobHoleNegativePart
PAM8406 Negative Cut Out

Add Part as a negative Image, insert into coaster.

PamCoverCoasterOptions
PAM8406 Cover (coasters)

Choose what you like, add hole.

Playfield Undermount


Starting to work on the playfield undermount
PlayfieldUndermountSpeakersTopCAD_Measurements
Playfield Undermount Speakers Top CAD_Measurements

xxx

PlayfieldUndermountSpeakersTopCAD_LEFTRIGHT
Playfield Undermount Speakers Top CAD_LEFTRIGHT

xxx

PlayfieldUndermountSpeakersTopCAD_LEFTRIGHTWithBracket
Playfield Undermount Speakers Top CAD_LEFTRIGHT WithB racket

xxx

PlayfieldUndermountSpeakersTopCAD_NoParts
Playfield Undermount Speakers Top CAD_NoParts

xxx

PlayfieldUndermountSpeakersTopCAD_Parts
Playfield Undermount Speakers Top CAD_Parts

xxx

SpeakerCutout_CADMeasurements
Speaker Cutout Center Marking Tool Measurements

SpeakerCutout_3D
Speaker Cutout Center Marking Tool 3D object

PlayfieldUndermountSpeakersBottomCAD_Measurements
Playfield Undermount Speakers Bottom CAD_Measurements

xxx

PlayfieldUndermountSpeakersBottomCAD_LEFTRIGHT
Playfield Undermount Speakers Bottom CAD_LEFTRIGHT

xxx

PlayfieldUndermountSpeakersBottomCAD_LEFTRIGHTWithBracket
Playfield Undermount Speakers Bottom CAD_LEFTRIGHT With Bracket

xxx

PlayfieldUndermountSpeakersBottomCAD_NoParts
Playfield Undermount Speakers Bottom CAD_NoParts

xxx

PlayfieldUndermountSpeakersBottomCAD
Playfield Undermount Speakers Bottom CAD

xxx

PlayfieldUndermount_DovetailCut
Playfield Undermount Dovetail Cut Specs

How to slice, notice the lines and the holes. Test cut w/ 0.10 mm tolerance.

Original Hand Sketches and build process

xxx

xxx
xxx

xxx